Web design by Aleksey D. Zolotarenko | Contact Us




предыдущая страница                                              следующая страница


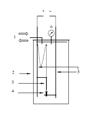
2.3. Реактор Вудла

Для небольших лабораторий была предложена вертикальная упрощенная установка из пирексового стекла [18], схема которой представлена на рис. 2.7. Тонкий графитовый стержень диаметром 3 мм, соединенный медным проводом с источником питания, заостренным концом упирается на толстый, диаметром 12 мм, графитовый стержень. В качестве источника тока используется обычный сварочный аппарат с рабочим током 40-60 А. Установка вакуумируется, а затем наполняется гелием. Зажигается электрическая дуга и в течение нескольких минут стержень расходуется. Выход фуллеренов - 5-10 %.



Рис. 2.7. Схема фуллеренового реактора Вудла: 1 - система подачи гелия и создания вакуума; 2 - колпак из пирексового стекла; 3, 4 - графитовые стержни 3 и 12 мм; 5 - медный электрод; 6 - манометр.

предыдущая страница                                              следующая страница




От авторов


Издание настоящей книги стало возможным благодаря реализации договора о творческом сотрудничестве между Институтом проблем материаловедения Национальной академии наук Украины и Институтом проблем химической физики Российской академии наук в рамках выполнения совместной программы “Фуллерены и атомные кластеры”.
За последние 10 лет наблюдается бурный рост потока информации в области знаний фуллереноподобных материалов, открытых в 1985 году. Задача, которую поставили авторы перед собой, состояла в том, чтобы обобщить эту информацию и в сжатой форме изложить основные представления о новом классе углеродных материалов. Из огромного информационного потока по фуллеренам, нанотрубкам и кластерам, а это десятки тысяч источников: книг, патентов, научных и популярных статей, был взят тот минимум, который позволил бы неискушенному читателю войти в мир углеродных наноструктур с его специфическими особенностями. Большой интерес среди ученых вызывает особенность строения фуллеренов, обусловленная их сферичностью. Завершенность элементарной структурной единицы, по сравнению с бесконечными кластерами атомов в карбине, графите и алмазе, обусловливает уникальную способность фуллеренов растворяться в растворителях. Это единственная растворимая форма углерода.
Фуллерены - интересный объект исследований во многих областях науки - физике, химии, геологии, биологии, медицине, материаловедении и других. Благодаря наличию у молекулы фуллерена большого количества атомов углерода открываются неограниченные возможности синтеза миллиардов новых соединений с новыми свойствами, а значит и новыми возможностями. Разработка и использование материалов, обладающих сложным комплексом физико-химических свойств, являются одной из основополагающих предпосылок создания техники XXI века. И фуллереноподобные материалы обладают всеми качествами, необходимыми для того, чтобы стать основой материалов будущих разработок. В настоящее время мы стоим только на стартовой черте изучения фуллереноподобных материалов и материалов, получаемых на их основе. Перспективы использования их безграничны.
Данные, представленные в четвертой главе этой книги, демонстрируют одну из блестящих возможностей использования этих материалов. Благодаря компактному и безопасному хранению водорода в фуллереноподобных материалах и материалах, полученных на их основе, становится экономически обоснованным и реальным переход человечества от эры использования запасавшейся миллионами лет солнечной энергии в виде ископаемых топлив к эре солнечно-водородного будущего: непосредственного преобразования солнечной энергии и применения водорода в качестве экологически чистого топлива и энергоносителя. Это будущее видится еще более оптимистичным, если учесть, что источником водорода является вода, которой достаточно на всех континентах и во всех странах. То есть снимается вопрос о странах, богатых топливом и бедных с энергетической точки зрения. Солнечной энергии хватит всем.
Надеемся, что эта книга станет для многих первой ступенькой в познании области науки о фуллеренах, пробудит интерес и желание узнать больше, шагнуть вперед и изучить неведомое.
Заранее приносим свои извинения за возможные опечатки. Мы с удовольствием и благодарностью примем все критические замечания и комментарии. Авторы благодарят В.Б. Черногоренко, А.П. Помыткина, Н.Ф. Гольдшлегер и А.П. Моравского за помощь в написании некоторых глав, а также благодарят О.И. Билык, Д.М. Мильто, Е.А. Лысенко за помощь в наборе и редактировании текста и иллюстраций.